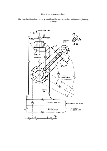
Resource used to familiarise students with correct BS drawing and dimensioning rules for use in engineering.
Please feel free to chop and change anything that you might want to in order to suit your own teaching style.
Please feel free to chop and change anything that you might want to in order to suit your own teaching style.
Something went wrong, please try again later.
This resource hasn't been reviewed yet
To ensure quality for our reviews, only customers who have purchased this resource can review it
Report this resourceto let us know if it violates our terms and conditions.
Our customer service team will review your report and will be in touch.
£2.00